簡易控制器是我公司研發出來的新一代產品,與本公司生產的集成式低壓無功補償裝置配套使用,代替以往的狀態指示器,可實現補償裝置的自動投切。該產品集成度高,外形美觀大方,采用通用儀表尺寸,安裝使用靈活,操作方便。
產品概述
簡易控制器是我公司研發出來的新一代產品,與本公司生產的集成式低壓無功補償裝置配套使用,代替以往的狀態指示器,可實現補償裝置的自動投切。該產品集成度高,外形美觀大方,采用通用儀表尺寸,安裝使用靈活,操作方便。
主要功能
1)控制器面板集成76只高亮度LED指示燈,其中包括70只電容狀態指示燈和6只工作狀態燈。
2)四段數碼管動態顯示各相功率因數,實時反映電容投切效果。
3)該控制器具有2個RJ45端口,接線極為簡單。
4)通過RJ45端口與電容連接,實現電容自動投切,無需外接二次電流互感器。
工作環境
1)環境溫度:-25~+55℃;
2)相對濕度:40℃時20%~90%;
3)大氣壓力:79.5~106.0Kpa;
4)海拔高度:≤3000m;
5)其它要求:無易燃易爆的介質存在,無導電塵埃及腐蝕性氣體存在;
工作電源
額定電壓:380V±20%,交流50Hz,電壓畸變率≤20%;
型號說明

控制容量
1) 三相補償式:20臺共補型集成式低壓無功補償裝置;
2) 分相補償式:10臺分補型集成式低壓無功補償裝置;
3) 混合補償式:20臺共補型集成式低壓無功補償裝置和10臺分補型集成式低壓無功補償裝置;
4) 可根據用戶要求改變控制容量;
1機械安裝
在屏面上適當位置開一個138mm*138mm的方孔,將本控制器從屏面推入,在屏板后將配給的固定支架安上,用螺絲刀把固定架上的螺絲擰緊即可。
2電氣接線
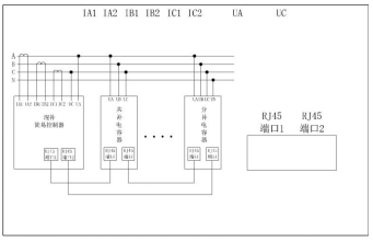
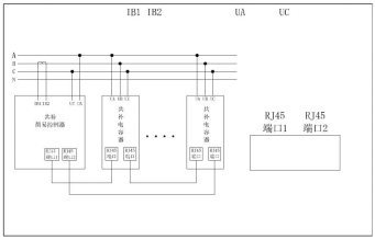
本控制器的電氣接線端子在后面板上,如下圖如示:

圖1 混補型簡易控制器背貼示意圖

圖2 共補型簡易控制器背貼示意圖
UA、UC為控制器工作電源,分別接入電網A、C相;
IA1、IA2、IB1、IB2、IC1、IC2為一次電流互感器二次側接入端,混補型三相都需要接,共補型只需要接B相IB1、IB2;
RJ45端口1與第一臺集成式低壓無功補償裝置的RJ45端口連接,RJ45端口2與最后一臺集成式低壓無功補償裝置的RJ45端口連接。
注:
通信正常時,工作燈閃爍,數碼管動態實時顯示A、B、C相功率因數;
通信異常時,故障燈亮,數碼管顯示四個“0”,電容狀態指示燈保持通訊異常前的電容投切狀態,此時需檢查指示器通訊連接線是否松動或斷開。